全国统一服务热线
400-610-6025
首 页
华体会体育网页版
公司概况
证书荣誉
组织结构
业务范围
业绩案例
工艺材料
行业动态
资料下载
华体会(中国)
当前位置:
首页
>
图集
>
框架梁板粘钢加固案例
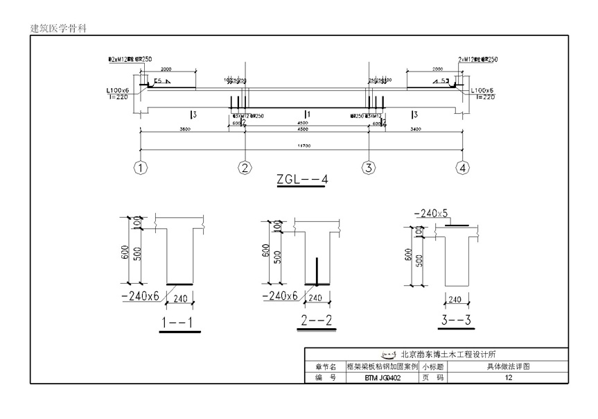
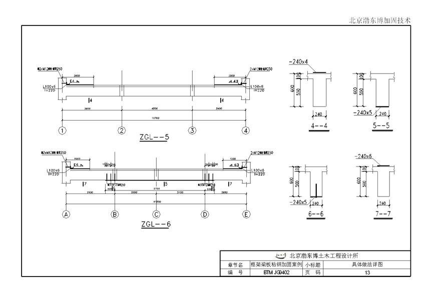
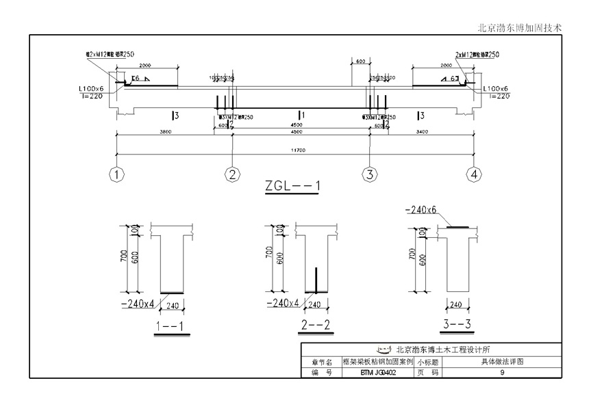
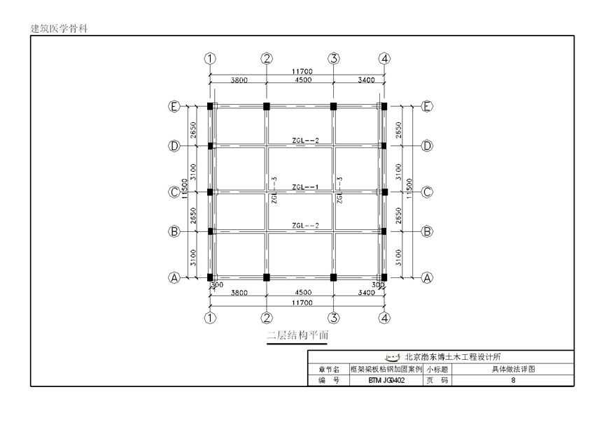
框架梁板粘钢加固案例
版权所有:华体会体育网页版
邮箱:jiagu@bodongbo.com
传真:010-64403408
电话:400-610-6025 800-810-6025 010-64403428
地址:北京市朝阳区北苑东路19号院2号楼1206室(中国铁建广场C座)
京ICP备2022035419号-1
星空电子(中国)官方网站
|
九游网·官方端网站登录入口
|
星空网页版登录页面入口
|
ld(中国)官方网站
|
乐鱼网页版登录入口_乐鱼(中国)
|
开云线上平台(集团)官方网站
|
华体会 (hth)·官方网站
|
乐鱼网站_乐鱼(中国)
|
开云手机官方版登录入口
|